Skip to content Skip to sidebar Skip to footer

Jayco Pop Up Lift System Diagram

How To Repair Jayco Camper Cables Ehow Jayco Campers Jayco Pop Up Campers Pop Up Camper

How To Repair Jayco Camper Cables Ehow Jayco Campers Jayco Pop Up Campers Pop Up Camper

Jayco pop up lift system diagram. Will do so likewise to share the wealth. Battery full electric lift blows fuse upon trigger every time. 84-86 Cable Service.

Use at least six pieces of lumber to hold the roof upright. Jayco Lift System Diagrams. Expect long delays for some Jayco parts.

1999 Jayco Heritage Manistee Pop Up Camper For In. Jul 26 Here is a photo of a Jayco lift system with the body removed. Loath the fuse box location by the way completely inaccessible shouldve been engineered to lock up from the exterior alternatively.

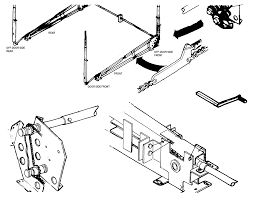
Products 1 6 of 6 Parts Iosso Products Folding Trailer Lift System Jayco Starcraft Coleman. The winch is to left with a single cable going across the front. Jayco Most Models COVID-19 is effecting our supply chain.

REPLACING THE 332 LIFT CABLE 1. Jayco lift system flamingo outback - YouTube. Lift System Manual 1985 and up and most 83s and 84s.

This system can be operated with a hand crank winch or an approved motorized winch. Anything less than 14 difference between highest and lowest measurements is okay3. How to Repair Jayco Camper Cables.

Remove the winch cover inside the unit. Enter the camper and locate the access panels along the floor.

Diagram For 1998 Eagle So Lift System Jayco Rv Owners Forum

Diagram For 1998 Eagle So Lift System Jayco Rv Owners Forum

Understanding Camping Trailers Roof Lift Systems Custom Cylinders International Inc

Understanding Camping Trailers Roof Lift Systems Custom Cylinders International Inc

Jayco Winch System Operation Youtube

Jayco Winch System Operation Youtube

Caravansplus Camper Trailer Components

Caravansplus Camper Trailer Components

Understanding Camping Trailers Roof Lift Systems Custom Cylinders International Inc

Understanding Camping Trailers Roof Lift Systems Custom Cylinders International Inc

Caravansplus Guide To Camper Trailer Windup Systems

Caravansplus Guide To Camper Trailer Windup Systems

Pop Up Camper Instruction Sheets And Owner Manuals Hanna Trailer Supply

Pop Up Camper Instruction Sheets And Owner Manuals Hanna Trailer Supply

Jayco Lift System Flamingo Outback Youtube

Jayco Lift System Flamingo Outback Youtube

Replacing Cables In Jayco Pictures Inside Pop Up Camper Jayco Pop Up Campers Pop Up Tent Trailer

Replacing Cables In Jayco Pictures Inside Pop Up Camper Jayco Pop Up Campers Pop Up Tent Trailer

Jayco Lift System Repair Popupportal

Jayco Lift System Repair Popupportal

L W Crank Jayco Viking Coachmen Pop Up Tent Camper Crank Handle L Wcrank Shop Online For Other Pop Up Camper Parts At Hannarv Com Hanna Trailer Supply

L W Crank Jayco Viking Coachmen Pop Up Tent Camper Crank Handle L Wcrank Shop Online For Other Pop Up Camper Parts At Hannarv Com Hanna Trailer Supply

Jayco Lift Cables Set Of 4 Jayco Lift Cables Set Of 4 Pa Jayclift Cables 50 00 Pop Up Parts The Folding Trailer Specialist

Jayco Lift Cables Set Of 4 Jayco Lift Cables Set Of 4 Pa Jayclift Cables 50 00 Pop Up Parts The Folding Trailer Specialist

Understanding Camping Trailers Roof Lift Systems Custom Cylinders International Inc

Understanding Camping Trailers Roof Lift Systems Custom Cylinders International Inc

L W Lift System Hmmmm

L W Lift System Hmmmm

How To Fix A Jayco Wind Up Lift System Broken Main Cable

How To Fix A Jayco Wind Up Lift System Broken Main Cable

93 Jayco Eagle 10 Another Lift System Issue

93 Jayco Eagle 10 Another Lift System Issue

93 Jayco Eagle 10 Another Lift System Issue

93 Jayco Eagle 10 Another Lift System Issue

Rockwood Pop Up Camper Lift System Diagram Wiring Site Resource

Rockwood Pop Up Camper Lift System Diagram Wiring Site Resource

Brackets Pulleys Tracks Pop Up Parts The Folding Trailer Specialist

Brackets Pulleys Tracks Pop Up Parts The Folding Trailer Specialist

Pop Up Camper Instruction Sheets And Owner Manuals Hanna Trailer Supply

Pop Up Camper Instruction Sheets And Owner Manuals Hanna Trailer Supply

Jayco Lift Post 3 Stage 1994 Jayco Lift Post 3 Stage 1994 Pa Jayc0071510 108 00 Pop Up Parts The Folding Trailer Specialist

Jayco Lift Post 3 Stage 1994 Jayco Lift Post 3 Stage 1994 Pa Jayc0071510 108 00 Pop Up Parts The Folding Trailer Specialist

Coleman Pop Up Camper Lift System Diagram Wiring Site Resource

Coleman Pop Up Camper Lift System Diagram Wiring Site Resource

Pop Up Camper Cable Lift System Interior Pt16 Jayco Tent Trailer Rebuild Renovation Modification Youtube

Pop Up Camper Cable Lift System Interior Pt16 Jayco Tent Trailer Rebuild Renovation Modification Youtube

1

1

93 Jayco Eagle 10 Another Lift System Issue

93 Jayco Eagle 10 Another Lift System Issue

A Bit Of A Crank Problem Jayco Rv Owners Forum

A Bit Of A Crank Problem Jayco Rv Owners Forum

L W Lift System Hmmmm

L W Lift System Hmmmm

Rockwood Pop Up Camper Lift System Diagram Wiring Site Resource

Rockwood Pop Up Camper Lift System Diagram Wiring Site Resource

Help My Coleman Popup Camper Roof Won T Lower Camper Solutions

Help My Coleman Popup Camper Roof Won T Lower Camper Solutions

Caravansplus Guide To Camper Trailer Windup Systems

Caravansplus Guide To Camper Trailer Windup Systems

Pop Up Camper Instruction Sheets And Owner Manuals Hanna Trailer Supply

Pop Up Camper Instruction Sheets And Owner Manuals Hanna Trailer Supply

Wicked Winch Lift System Troubleshooting For Flagstaff Camping Trailers Roberts Sales

Wicked Winch Lift System Troubleshooting For Flagstaff Camping Trailers Roberts Sales

93 Jayco Eagle 10 Another Lift System Issue

93 Jayco Eagle 10 Another Lift System Issue

1 89 Jayco Pop Up Cable Repair Youtube Jayco Pop Up Camper Repair

1 89 Jayco Pop Up Cable Repair Youtube Jayco Pop Up Camper Repair

How To Remove Lift Post On Jayco Popupportal

How To Remove Lift Post On Jayco Popupportal

Viking Pop Up Camper Lift System Diagram Drivenheisenberg

Viking Pop Up Camper Lift System Diagram Drivenheisenberg

Help My Coleman Popup Camper Roof Won T Lower Camper Solutions

Help My Coleman Popup Camper Roof Won T Lower Camper Solutions

How To Fix A Jayco Wind Up Lift System Broken Main Cable

How To Fix A Jayco Wind Up Lift System Broken Main Cable

Pop Up Camper Instruction Sheets And Owner Manuals Hanna Trailer Supply

Pop Up Camper Instruction Sheets And Owner Manuals Hanna Trailer Supply

Lift System Concern Jayco Rv Owners Forum

Lift System Concern Jayco Rv Owners Forum

Understanding Camping Trailers Roof Lift Systems Custom Cylinders International Inc

Understanding Camping Trailers Roof Lift Systems Custom Cylinders International Inc

Jayco Lift Cables Pop Up Camper Lifter Cable L W Ebay

Jayco Lift Cables Pop Up Camper Lifter Cable L W Ebay

2

2

Help My Coleman Popup Camper Roof Won T Lower Camper Solutions

Help My Coleman Popup Camper Roof Won T Lower Camper Solutions

1997 Jayco 1406 Pop Up Camper Lift Problems 2 Youtube

1997 Jayco 1406 Pop Up Camper Lift Problems 2 Youtube

Maintenance On Lift System Jayco Rv Owners Forum

Maintenance On Lift System Jayco Rv Owners Forum

How Do Pop Up Campers Work Explained For Beginners

How Do Pop Up Campers Work Explained For Beginners

Wicked Winch Lift System Troubleshooting For Flagstaff Camping Trailers Roberts Sales

Wicked Winch Lift System Troubleshooting For Flagstaff Camping Trailers Roberts Sales

1

1

Remove all necessary dividers step-ups and cable covers.

Place 2-by-4 pieces of lumber between the frame and roof on each corner. Disconnect the limit cable from the roof. Since 1976 Goshen Stamping has made the most popular lift system for pop-up tent campers in the industry. Now that your roof is level raise it up until the canvas looks flat - not stretched tight like a drum just not saggy or wrinkly. Jayco is shipping orders but are extreamly behind in filling the orders. Within the tube is located a simple mechanism that utilizes one pulley to push four heavy duty springs through tubes routed to each corner of the trailer. The cable is connected to a distribution block enclosed in a tube running front to back under the vehicle frame. Remove all necessary dividers step-ups and cable covers. Whats people lookup in this blog.


L. Lift Cables are shipping quicker but still can take a few days before shipped. Disconnect the limit cable from the roof. Jaycos 806 is the smallest camper in the Jay series line of pop-up camping trailers. See removing telescoping arm 8. Jayco Pop Up Camper Parts Catalog. Enter the camper and locate the access panels along the floor.

Post a Comment for "Jayco Pop Up Lift System Diagram"